Küldj egy emailt nekünk

sdepochwater@hotmail.com

Termékek
Öntözővíz mérő
  • Öntözővíz mérőÖntözővíz mérő
  • Öntözővíz mérőÖntözővíz mérő

Öntözővíz mérő

Felhasználás: Áramlásmérő műszer a csővezetéken átfolyó víz teljes térfogatának mérésére.

Szállított feltételek:

▶Méret: DN50~DN600

▶ Anyaga: öntöttvas héj

▶Hőmérséklet fokozat: T30, T50, T90

▶Nyomásosztály: MAP16, MAP10

▶Nyomásveszteség:△P63


Telepítési mód:

1.Vízszintes telepítés.

2. Kiegészítő vízszűrő szükséges.

3. A vízmérő vízbemenetéhez/kimenetéhez egyenes U10/D5 csőszakasz szükséges.


Jellemzők:

1. Kis átviteli ellenállás, nagy áramlási kapacitás, blokkolásgátló és erős szennyezésgátló képesség.

2. Vízszintes rotor, száraz, mágneses tengelykapcsoló hajtás.

3. A számláló vákuumtömítést, páralecsapódást és porlasztást alkalmaz, és hosszú ideig tisztán tudja tartani a leolvasást.

4. A eltávolítható szerkezetet az egyszerű telepítés és karbantartás érdekében fogadták el

5. A mérési mechanizmus erős univerzális.

6. Az ügyfelek igényei szerint távátviteli és átviteli eszköz (kettős nád/csarnok átvitel) biztosítható.


Műszaki paraméter:

DN (mm) Folyik hatótávolság Mérési fokozat Maximális áramlás Q4 Közös áramlás Q3 Határáramlás Q2 Minimális áramlás Q1 Minimális olvasás Maximális olvasás
Q3/Q1 m3/h
LXXG-50 2” R20 (R25) 25 31.25 5 1.25 0.002 999, 999
LXXG-65 2/2" 40 50 8 2 0.002 999, 999
LXXG-80 3” 63 78.75 12.6 3.15 0.002 999, 999
LXXG-100 4” 100 125 20 5 0.002 999, 999
LXXG-125 5” 160 200 32 8 0.002 999, 999
LXXG-150 6” 250 312.5 50 12.5 0.002 999, 999
LXXG-200 8” 400 500 80 20 0.002 999, 999
LXXG-250 10” 630 787.5 126 31.5 0.02 9, 999, 999

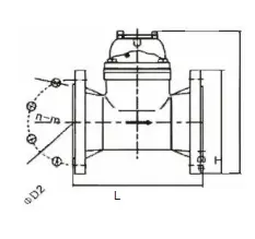
Teljes méret és tömeg:

Modell DN Hossz Magasság Csatlakozó karima
mm Karima külső átmérő φD1 Száma összekötő csavarok D2 Száma összekötő csavarok
LXXG-50 2” 200 253 165 125 4*M16
LXXG-65 2V2" 200 268 185 145 4*M16
LXXG-80 3” 225 284 200 160 8*M16
LXXG-100 4” 250 295 220 180 8*M16
LXXG-125 5” 250 310 250 210 8*M16
LXXG-150 6” 300 339 285 240 8*M20
LXXG-200 8” 350 382 340 295 8*M20 (1,0 MPa) 12 * M20 (1,0 MPa)
LXXG-250 10” 450 438 395 405
12*M20 (1,0 MPa) 12*M24 (1,0 MPa)

A.A kis terület maximális megengedett hibája (Q1≤Q

B. Ha a víz hőmérséklete ≤ 30 ℃, a legnagyobb megengedett hiba a magas területen (Q2≤Q≤Q4) ± 2% Ha a víz hőmérséklete > 30 ℃, a maximális megengedett hiba a magas területen (Q2≤Q≤Q4) ± 3%






Hot Tags: Öntözővíz mérő
Kérdés küldése
Elérhetőségei
Készen áll arra, hogy a vízrendszer projektjét a következő szintre vezesse? Küldjön nyomozást a Shandong Epoch Equipment Co., Ltd. -nek, és személyre szabott választ kapjon csapatunktól. Azért vagyunk itt, hogy segítsünk az összes vízrendszer igényének. Legyünk a megbízható partnered.
X
Cookie-kat használunk, hogy jobb böngészési élményt kínáljunk, elemezzük a webhely forgalmát és személyre szabjuk a tartalmat. Az oldal használatával Ön elfogadja a cookie-k használatát. Adatvédelmi szabályzat
Elutasít Elfogadás