Küldj egy emailt nekünk

sdepochwater@hotmail.com

Hír

A pillangószelep szerkezete és működési elve

2025-06-13 0 Hagyj üzenetet

90 fokos forgás, könnyed áramlásvezérlés elsajátítása-Pillangószelepek: A hatékonyság és a költségek optimalizálása a nagy átmérőjű csővezeték-műveletekhez!

1.A Roverall áttekintés:

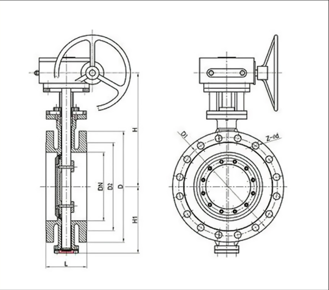
  Egy pillangószelepegy szerkezetileg egyszerű és gyorsan működő szelep, amely elsősorban a folyadékok (például víz, gáz vagy iszapok) áramlásának szabályozására szolgál a csővezetékekben. Alapvető funkciója az áramlási áthaladás megnyitásának, bezárása vagy szabályozása egy korong (pillangó lemez) elforgatásával a csőben.

2.Key alkatrészek - Szeleptest és tárcsa:

   A pillangószelep fő teste a szeleptest, egy rövid hengeres ház, amely mindkét végén a csővezetékhez kapcsolódik, és így a folyadék áthaladása képződik. A szeleptest áthaladásában központilag elhelyezve a magkomponens - a korong. Ez egy korong alakú szerkezet, amelynek kialakítása (koncentrikus vagy excentrikus) és az anyag jelentősen befolyásolja a szelep teljesítményét.

3.Key komponensek - STEM és működtetés:

   Egy szár áthalad a korong közepén vagy egy excentrikus pontján, és a szeleptesten kívül is kinyúlik. Ez a tengely felelős a külső működési mechanizmus által generált forgási erő (például kar, kézikerek vagy automatikus működtető) által generált forgási erő (nyomaték) továbbításáért a lemezre, és mozgatja annak forgását.

4.Key alkatrészek - tömítés (ülés és tömítés):

   A zárás elérése érdekében bezárva gyűrűs ülés van beépítve a szeleptest belső falára (vagy a tárcsa szélére a hármas-eltolásos tervekben). Amikor a lemez bezáródik, széle szorosan nyomja az ülés ellen. Az ülésanyagok lehetnek elasztomerek (lágy ülés, például gumi, PTFE, jó tömítést kínálnak) vagy fém (kemény ülés, magas hőmérsékleten és nyomásnak ellenálló). Ezenkívül a tömítések (például csomagolás vagy O-gyűrűk) ott vannak, ahol a szár kilép a szeleptestből, megakadályozva a táptalaj szivárgását a szár mentén.

5.Munkálási alapelv - Nyitási folyamat:

   Amikor a szelepet meg kell nyitni, a működési mechanizmus (kézi vagy automatikus) elforgatja a szárot. A szár miatt a tárcsa a tengelye körül forog, és a csővezeték tengelyére merőleges helyzetből (90 fok, zárt állapot) egy olyan helyzet felé halad, amely párhuzamos (0 fok). Amint a lemez forog, a folyadékba történő obstrukció csökken, az áramlási átjáró fokozatosan megnyílik, és a folyadék simán folyik át. A forgási szög lehetővé teszi az áramlási sebesség pontos szabályozását.

6.Munkálási elv - zárási folyamat:

   Amikor a szelepet le kell zárni, a működési mechanizmus a szár ellenkező irányba forog. A tárcsa a csővezetékkel párhuzamosan forog, és fokozatosan blokkolja az áramlási utat. Körülbelül 90 fok forgatásakor, hogy elérje a merőleges helyzetet, a tárcsa széle határozottan az üléshez szorítja. Ezen a tömörítésen keresztül (a lágy ülések rugalmas deformációjára vagy a kemény ülések pontos kúpos érintkezésére támaszkodva) teljes tömítőgyűrű képződik a tárcsa széle és az ülés között, teljesen blokkolva a folyadékáramot.

7.Main előnyei:

   A pillangószelepek elsődleges előnyei a kompakt szerkezetükben, a könnyű és a rövid, szemtől szembeni méretekben (a hely megtakarításában), az egyszerű és a gyors működésben (általában csak 90 fokos forgást igényelnek a nyitott/bezáráshoz), az alacsony folyadék ellenállás (különösen akkor, ha teljesen nyitott), alacsony működési nyomaték és jelentős költségek előnyei a nagy hőmérsékletű csövekben.

8. Hátrányok és megfontolások:

   A pillangószelepek hátrányai között szerepelnek a tömítőnyomás-képességük, amely általában alacsonyabb, mint a kapu vagy a gömbszelepek (különösen a lágy üléses típusok), a tárcsa mindig jelen van az áramlási úton, némi nyomásvesztést okozva, kevésbé alkalmas a súlyos fojtószelepek alkalmazására (amelyek rezgést vagy eróziót okozhatnak), és a lágy ülések szélsőséges hőmérséklete felé történő érzékenységét.

9.Tipikus alkalmazások:

   Ezeket az előnyöket kihasználva a pillangószelepeket széles körben alkalmazzák közepes-nagy átmérőjű forgatókönyvekben, amelyek gyors üzemeltetést, térbeli korlátozásokat vagy költségérzékenységet igényelnek. Általános alkalmazások a következők: vízellátó és vízelvezető rendszerek (ivóvíz, szennyvíz), HVAC (fűtés, szellőzés és légkondicionáló) rendszerek, tűzvédelmi rendszerek, hűtővíz az energiasziparban, a petrolkémiai iparban (alacsony nyomású, környezeti hőmérsékletű táptalajok), az élelmiszer- és gyógyszerészeti iparágak (egészségügyi osztályú szelepek) és a Slurry Kezeléshez.

   Shandong Epoch Equipment Co., Ltd. egy nagyszabású szakmai gyártó Shandong tartományban, amely betartja a tudomány és a technológia, a környezetvédelem, a minőség és a hatékonyság orientációját. Jelenleg transzregionális és több ipari vállalkozássá nőtte ki azokat a széles iparágakat, mint a tervezés, a fejlesztés, a gyártás és az export. Látogasson el weboldalunkra a következő címen:https://www.epochpipeline.com/Ha többet szeretne megtudni termékeinkről. Érdeklődés céljából elérhet minket az sdepochwater@hotmail.com címen.

Kapcsolódó hírek
Hagyj üzenetet
X
Cookie-kat használunk, hogy jobb böngészési élményt kínáljunk, elemezzük a webhely forgalmát és személyre szabjuk a tartalmat. Az oldal használatával Ön elfogadja a cookie-k használatát. Adatvédelmi szabályzat
Elutasít Elfogadás